Каталог
Каталог Написать в WhatsApp
Мотоэкипировка

Ручка переключения передач(Serial Number 1B290522 и ниже) 4-Х ТАКТНОГО ПЛМ MERCURY 135 Серийный номер от 1B2270001 до 1B381711

Ручка переключения передач(Serial Number 1B290522 и ниже) 4-Х ТАКТНОГО ПЛМ MERCURY 135 Серийный номер от 1B2270001 до 1B381711 в Екатеринбурге: актуальный каталог, цены, фото, описание. Купите ручка переключения передач(serial number 1b290522 и ниже) 4-х тактного плм mercury 135 серийный номер от 1b2270001 до 1b381711 в кредит – оформите заявку онлайн за 1 минуту!

Оригинальные запчасти

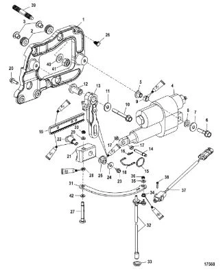
Артикул НАИМЕНОВАНИЕ Кол-во деталей в узле Примечание Наличие Цена Аналоги Фото
1 895739T BRACKET, Shift

Под заказ

1

Под заказ

уточнить

Купить
2 855362001 Заглушка (GROMMET)

Под заказ

4

Под заказ

уточнить

Купить
3 855364 Втулка (BUSHING)

Под заказ

4

Под заказ

уточнить

Купить
4 864289A04 SHIFT ACTUATOR

Под заказ

1

Под заказ

уточнить

Купить
5 884532001 BUSHING

Под заказ

1

Под заказ

уточнить

Купить
6 81893435 SCREW, (M8 x 35)

Под заказ

1

Под заказ

уточнить

Купить
7 889661 WASHER, Rubber

Под заказ

1

Под заказ

уточнить

Купить
8 888589 WEAR SLEEVE

Под заказ

1

Под заказ

уточнить

Купить
9 898097 WASHER

Под заказ

1

Под заказ

уточнить

Купить
10 884554 BUSHING

Под заказ

1

Под заказ

уточнить

Купить
11 895737 BELL CRANK

Под заказ

1

Под заказ

уточнить

Купить
12 895736 PIN

Под заказ

1

Под заказ

уточнить

Купить
13 885569 SPLIT RING

Под заказ

1

Под заказ

уточнить

Купить
14 884599 SPACER

Под заказ

2

Под заказ

уточнить

Купить
15 88807A6 WIRE, SOLENOID SCREW (BLACK)

Под заказ

1

Под заказ

уточнить

Купить
16 896212 RAIL SHIFT SLIDE

Под заказ

1

Под заказ

уточнить

Купить
17 82155025 SCREW

Под заказ

2

Под заказ

уточнить

Купить
18 895738 SHIFT SLIDER

Под заказ

1

Под заказ

уточнить

Купить
19 884555 BUSHING

Под заказ

1

Под заказ

уточнить

Купить
20 82104510 SCREW, (M5 x 10)

Под заказ

1

Под заказ

уточнить

Купить
21 65567 WASHER, TOP COWL CATCH (UPPER)

Под заказ

1

Под заказ

уточнить

Купить
22 887901 BUSHING

Под заказ

1

Под заказ

уточнить

Купить
23 828991T CLIP

Под заказ

1

Под заказ

уточнить

Купить
24 896544 STUD

Под заказ

1

Под заказ

уточнить

Купить
25 896551 BUSHING

Под заказ

1

Под заказ

уточнить

Купить
26 35462 WASHER

Под заказ

1

Под заказ

уточнить

Купить
27 401386 Гайка (NUT-M6 HEX, NYL I)

Под заказ

1

Под заказ

уточнить

Купить
28 895742 SHIFT LINK

Под заказ

1

Под заказ

уточнить

Купить
29 8M0091613 LEVER

Под заказ

1

Под заказ

уточнить

Купить
30 8M0091614 LEVER

Под заказ

1

Под заказ

уточнить

Купить
31 74647 BUSHING, NYLON - SUPPORT PLATE

Под заказ

1

Под заказ

уточнить

Купить
32 8M0052939 Кнопка нейтрали (SWITCH)

Под заказ

1

Под заказ

уточнить

Купить
33 88075020 Болт (SCREW)

Под заказ

2

Под заказ

уточнить

Купить
34 8M0022167 STUD

Под заказ

4

Под заказ

уточнить

Купить
35 401388 Гайка (NUT, M8)

Под заказ

4

Под заказ

уточнить

Купить

Нулевая цена не означает отсутствие товара. Оформите заказ, и менеджер сообщит вам цену и наличие товара, предварительно запросив их у поставщика

Главная Магазины
Корзина0
Профиль